RUBBER LINED VALVES
Cast Steel, Stainless Steel Body Valves, Rubber Lined internally
EPDM, VITON, NBR LINED VALVES
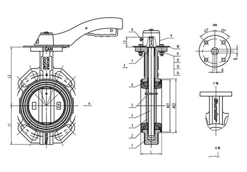
Butterfly Type:
Size Range: DN50-DN250
Pressure: PN10/16/150LB/10K
Body Material: CI/DI/WCB/CF3/ CF3M/CF8/ CF8M
Seat Material: NBR/EPDM/PTFE/SI
Disc Material: DI/CF3/ CF3M/CF8/CF8M/ C954
Stem Material: SS420/ 2Cr13/SS304/SS316
Features: Handle type and actuated wafer butterfly valves are mainly used in the Municipal construction, hydraulic engineering, electricity, water supply and drainage, water treatment.
PRODUCT ADVANTAGES
Rubber Lined Butterfly Valves Standard EPDM rubber seat enable the valves to have super stable and reliable resilience. No leakage after opening and closing more than 10,000 times.
The external surface of the valve adopts electrostatic powder thermal spray coating process, the thickness of the spray is up to 250μm, the valve body is heated at 200°C for 3 hours, and the powder is cured at 180°C for 2 hours. After natural cooling, the surface adhesion is doubled compared with ordinary powder, which is more environmentally friendly and weather resistant. Ensure that colour of valve body does not fade for 36 months..




CONTACT US
Are you looking for more information about our products and Services, require technical support or would like our brochure of products? Send an e-mail to sales@resistochem.co.za for prompt assistance.
